FG系列 Monoflex (單一可彎折葉片)自吸式泵浦致力成為橡膠葉輪泵的全球標準。並透過最新的加工技術,橡膠葉輪一體成型!產品特色有:
- 卓越的自吸能力:無需灌水,吸入時間約為每秒 1 公尺。
- 高流量:體積小巧卻能輸送大容量液體
- 結構簡單:維護方便
- 操作容易:因體積輕巧,配有搬運推車與手把,便於運輸與移動。
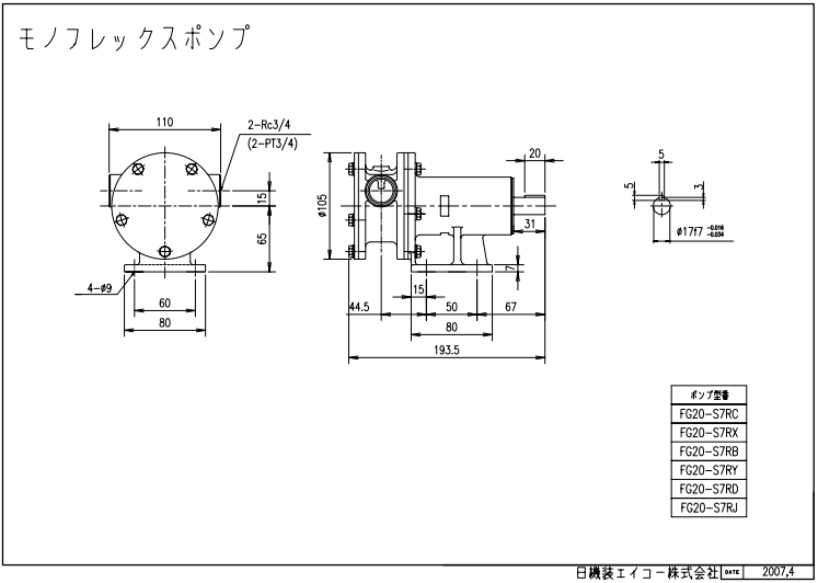
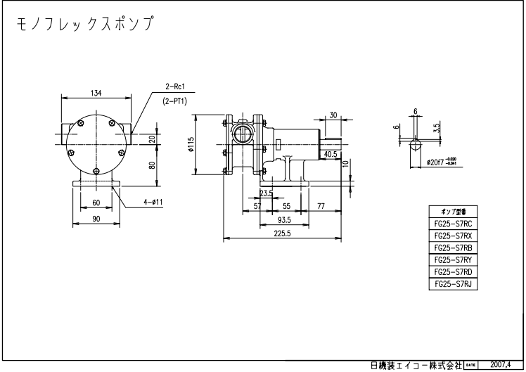
◆ 產品規格
口徑: 10、15、20、25、40、50、65
泵殼材質 : 不鏽鋼(SCS13)
葉輪材質 : CR、NBR
驅動方式 : AC 馬達與聯軸器接續
◆ 產品特徵
1. 各類材質葉輪
葉輪標準材質採用機械性強度高・耐久性優・耐藥性優的 CR 橡膠材質(氯丁橡膠)。
此外、也可因應客戶用途選擇 NBR 材質(耐油)、CRF(對應食品衛生法的製品)等材質。
2. 安裝方向自由選擇
泵浦內建三處排水孔,可自由選擇泵浦安裝方向。
3. 馬達迴轉方向自由選擇
機械軸封可對應順時針逆時針的迴轉方向(可正反兩方向迴轉)
4. 主軸組件
主軸是鋸齒狀,安裝葉輪更簡易。
5. 防塵環&密封環
在培林室前後,有為了防止粉塵/液體侵入而安裝的防塵環與密封環。
6. 橡膠一體型泵殼
採用橡膠一體型泵殼,葉輪滑過泵殼時可不受段差影響,減輕泵殼對葉輪摩擦時造成的磨耗。
7. O環
前板的密封處採用較粗的O環密封,拆卸前板變得更容易,同時密封性更佳。
◆ 產品特點
1. 超群的自吸性能力:高自吸性能(自吸高度 4 - 6 公尺:常溫淡水/初始性能 1450 min⁻¹),不需先將泵浦灌水也不需加裝底閥,泵浦啟動同時就會開始吸水。(自吸性能會因為型號·轉速而有所不同。)
2. 維修保養簡單:構造及機身簡單,零件數量少,不需專業知識也能夠輕鬆分解、組裝。
3. 適合輸送渣漿液、污泥:FG 系列泵浦適合輸送含固狀物的液體、高黏度液體、氣液混和液體。
4. 機身精巧且高性能:FG 系列泵浦屬容積式泵浦,儘管機身精巧,卻能提供大流量。
| 應用產業 | 應用製程 | 泵送液體 | 泵浦應用 |
| 電子及半導體業 | 環境衛生廢水處理製程 | 汙泥廢水 | 連結 |
化學加工業 | 水處理化學品應用製程 | 汙泥廢水 | 連結 |
| 水及廢水處理業 | 環境衛生廢水處理製程 | 高分子凝集固液 | 連結 |
食品飲料業 | 黃豆食品自動生產製造及輸送製程 | 各式豆製品 | 連結 |
| 造紙及印刷包裝業 | 造紙廠紙漿固液分離與纖維保留製程 | 高分子凝集固液 | 連結 |
石化及塑橡膠業 | 石化廢水高效凝集與污泥處理 | 汙泥 | 連結 |
| 鋼鐵業 | 鐵工廠廢水處理設備 | 污泥污水 | 連結 |
紡織業 | 染整廢水高分子凝集處理製程 | 高分子凝集固液 | 連結 |
| 電機機械業 | 處理脫水機設備機台 | 高分子凝集固液 | 連結 |
農林畜牧業 | 畜牧廢水混凝沉澱處理製程 | 高分子凝集固液 | 連結 |
| 製藥和化粧品 | 醫療器材製造廠輸送原料液體製程 | 綠藻漿料 | 連結 |
實驗室及醫療機構 | 學術機構處理廢水用 | 汙泥廢水 | 連結 |
| 電鍍與塗裝業 | 汽機車清洗廢水沉澱製程 | 汙泥廢水 | 連結 |
運輸業 | 高速軌道運輸系統用 | 汙泥廢水 | 連結 |